开关电源中电流检测电路的设计
功率开关电路的电路拓扑分为电流模式控制和电压模式控制。电流模式控制具有动态反应快、补偿电路简化、增益带宽大、输出电感小、易于均流等优点,因而取得越来越广泛的应用。而在电流模式的控制电路中,需要准确、高效地测量电流值,故电流检测电路的实现就成为一个重要的问题。
本文介绍了电流检测电路的实现方法,并探讨在电流检测中常遇见的电流互感器饱和、副边电流下垂的问题,最后用实验结果分析了升压电路中电流检测方法。
2 电流检测电路的实现
在电流环的控制电路中,电流放大器通常选择较大的增益,其好处是可以选择一个较小的电阻来获得足够的检测电压,而检测电阻小损耗也小。
电流检测电路的实现方法主要有两类:电阻检测(resistivesensing)和电流互感器(currentsensetransformer)检测。
电阻检测有两种,如图1、图2所示。

图1 电阻检测(接地)

图2 电阻检测(不接地)
当使用图1直接检测开关管的电流时还必须在检测电阻RS旁并联一个小RC滤波电路,如图3所示。因为当开关管断开时集电极电容放电,在电流检测电阻上产生瞬态电流尖峰,此尖峰的脉宽和幅值常足以使电流放大器锁定,从而使PWM电路出错。

图3 带滤波的电阻检测电路
但是在实际电路设计时,特别在设计大功率、大电流电路时采用电阻检测的方法并不理想,因为检测电阻损耗大,达数瓦,甚至十几瓦;而且很难找到几百毫欧或几十毫欧那么小的电阻。
实际上在大功率电路中实用的是电流互感器检测,如图4所示。电流互感器检测在保持良好波形的同时还具有较宽的带宽,电流互感器还提供了电气隔离,并且检测电流小损耗也小,检测电阻可选用稍大的值,如一二十欧的电阻。电流互感器将整个瞬态电流,包括直流分量耦合到副边的检测电阻上进行测量,但同时也要求电流脉冲每次过零时磁芯能正常复位,尤其在平均电流模式控制中,电流互感器检测更加适用,因为平均电流模式控制中被检测的脉冲电流在每个开关周期中都回零。

图4 升压电路输入电感电流值检测
为了使电流互感器完全地磁复位,就需要给磁芯提供大小相等方向相反的伏秒积。在多数控制电路拓扑中,电流过零时占空比接近100%,所以电流过零时磁复位时间在开关周期中只占很小的比例。要在很短的时间内复位磁芯,常需在电流互感器上加一个很大的反向偏压,所以在设计电流互感器电路时应使用高耐压的二极管耦合在电流互感器副边和检测电阻之间。
3 防止电流检测电路饱和的方法
如果电流互感器的磁芯不能复位,将导致磁芯饱和。电流互感器饱和是一个很严重的问题,首先是不能正确测量电流值,从而不能进行有效的电流控制;其次使电流误差放大器总是“认为”电流值小于设定值,这将使电流误差放大器过补偿,导致电流波形失真。
电流互感器检测最适合应用在对称的电路,如推挽电路、全桥电路中。对于单端电路,特别是升压电路,会产生一些我们必须关注的问题。对于升压电路,电感电流就是输入电流,那么在电流连续工作方式时,不管充电还是放电,电感电流总是大于零,即在直流值上叠加一个充放电的波形。因此电流互感器不能用于直接测量升压电路的输入电流,因为电感电流不能回零而使直流值“丢失”了;并且电流互感器因不能磁复位而饱和,从而失去过流保护功能,输出产生过压等。在降压电路中也存在同样的问题,电流互感器不能用于直接测量输出电流。
解决这个问题的方法是用两个电流互感器分别测量开关电流和二极管电流,如图4所示实际的电感电流是这两个电流的合成,这样每个电流互感器就有足够的时间来复位了。但要注意这两个电流互感器的匝比应一样,以保持检测电阻RS上的电流对称。
功率因数校正电路一般采用升压电路,用双互感器检测,但在线电流过零时,电流互感器也特别容易饱和。因为此时的占空比约为100%,从而容易造成磁芯没有足够的时间复位。为此可以在外电路中采取一些措施来防止电流互感器饱和。如采用电流放大器输出箝位来限制其输出电压,并进一步限制占空比小于100%,电路如图5所示。设定箝位电压的过程很简单,在刚起动时电流放大器箝位在一个相对较低的值(大约4V),系统开始工作,但过零误差很大;一旦系统正常工作后,箝位电压将升高,电流互感器接近饱和,箝位电压最多升到6.5V(低电压大负载时)并且电流的THD在可接受的范围内(<10%),以限制最大占空比。设定的箝位电压不能太低,否则将使电流过零畸变大。

图5 电流放大器的箝位电路
如果需要更好的特性或需要运行在宽范围,可以用图6的电路,这个电路将根据线电压反向调节箝位电压。

图6 具有输入电压补偿的电流放大器箝位电路
每个电流脉冲都使磁芯复位以克服磁芯饱和的方法,除了改进外电路还可以改进电流检测电路。一般利用电流检测电路自复位,即利用磁芯中存储的能量和电流互感器的开路阻抗在短时间内产生足够的伏秒积来复位。但当占空比大于50%,特别是接近100%时,可能没有足够的时间来使磁芯复位,这时除电流放大器输出箝位外,还可以采用强制复位电路。
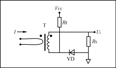
强制磁芯复位的电路很多,如使用附加线圈或中心抽头的线圈,但最简单的方法是采用图7、图8所示电路来强制磁芯复位。脉冲电流来时强制复位电路和自复位电路的工作没有差别,当复位时从VCC通过Rr来的电流加入磁芯复位电流,寄生电容快速充电,副边电压反向,伏秒积增加,磁芯复位速度加快。如果需要得到负的检测电压而又不想用负电压强制复位时则用图8所示电路。

图7 检测正电压的强制复位电路

图8 检测负电压的强制复位电路
对于电流检测电路磁芯复位还要考虑的一个因素是副边线圈的漏电感和分布电容。为了减小损耗,一般选择匝比较大的电流互感器,但匝比大,副边线圈的漏电感和分布电容大。漏电感影响电流上升和下降的时间,分布电容则影响电流互感器的带宽。并且在磁芯复位时,副边电感和分布电容谐振,如果分布电容大,则谐振频率低,周期长,那么在占空比大、磁芯复位时间短时,副边线圈就没有足够的时间来释放能量使磁芯复位了。所以应尽量不选择匝比太大的电流互感器。
4 电流互感器的下垂效应
电流互感器副边的脉冲电流要减去电流互感器绕组上的脉冲电压在副边产生的一个从零开始随时间线性增长的磁化电流,才等于检测电阻上的电流,该磁化电流的大小为:
(1)
式中:US——副边电压;LS——副边电感;n——Ns/Np;Δt——电流波脉宽
刚开始时副边电流是原边电流的n倍,但随时间增加,磁化电流加大,副边电流下降得很厉害,这就是电流互感器的下垂效应。所以为了得到较大的副边检测电压不应完全靠增加检测电阻Rs的值来实现,也要靠减小副边下垂效应来增加副边的脉冲电流,同时Rs的值大也将使磁芯复位困难。
如式(1)所示,副边电感值越大,下垂效应越小;匝比越小,下垂效应也越小,但最好不要靠减少副边的匝数来减小匝比,因为这将使副边的电感减小了,应在空间允许的情况下增加原边匝数来减小匝比。
5 实验结果
在功率因数校正电路中,使用如图4所示的检测电路,并采用如上所述防磁芯饱和及减小下垂效应的措施,在电流互感器的变比为1∶50,副边电感为30mH,取副边电压为2V,电流波脉宽为5μs时,得:
相对于十多安培的检测电流,该电流下降效应并不明显。
6 结语
电流检测在电流控制中起着重要的作用,电流检测分为电阻检测和电流互感器检测。为了减少损耗,常采用电流互感器检测。在电流互感器检测电路的设计中,要充分考虑电路拓扑对检测效果的影响,综合考虑电流互感器的饱和问题和副边电流的下垂效应,以选择合适的磁芯复位电路、匝比和检测电阻。
- 上一篇:彩电显示器开关管行管的基础知识 2008-12-12
- 下一篇:普通整流二极管参数表 2011-08-05




浙公安备33010502004623号