卡拉OK集成电路芯片ES56028/ES56030/ES56031/ES56032/ES56033环绕声处理器
近年来,在高档AV功放机中广泛使用ES560XX系列芯片来完成卡拉OK处理或环绕声处理,从而使功放机的卡拉OK效果及音质有了很大的提高。ES560XX系列芯片包含 ES56028、ES56030、:ES56031、ES56032及ES56033等多个型号,其详细技术资料可在ES56031卡拉OK环绕声处理器PDF资料下载。其中以ES56028的应用最为广泛,本文着重介绍ES56028的结构特点及应用电路。
一、ES56028介绍
ES56028是依雅时公司推出的卡拉OK/环绕声音频处理器,具有低噪声、低失真、延时范围宽(混响模式:20.5ms~163.8ms;环绕声模式:4.1ms~4ms)、自动静音、自动复位、工作模式及延迟时间可自动或手动设置等特点。
ES56028的内部结构如图1所示,它内含两个低通滤波器(LPF1、LPF2)、三个运放器、数字延时器、20kbitRAM、时钟振荡器(VC0)、模式控制器、延迟时间控制器 、混响模式/环绕声模式转换开关等电路。

ES56028采用28脚封装,各脚功能见下表。
ES56028引脚功能
| 引脚 | 符号 | 功能 |
| 1 | VCC | 模拟电路供电 |
| 2 | REF | 参考电压滤波 |
| 3 | AGND | 模拟地 |
| 4 | DGND | 数字地 |
| 5 | NC | 空脚 |
| 6 | F-ADJ | 频率调整 |
| 7 | COM/EASY | 控制方式选择(H:串行数据控制模式 |
| L:并行数据控制模式) | ||
| 8 | VDD | 数字电路供电 |
| 9 | TEST | 测试端(正常应用时接地) |
| 10 | MODE | 模式控制(H:混响模式 |
| L:环绕声模式) | ||
| 11 | DEL1 | 延迟时间控制1 |
| 12 | DEL2 | 延迟时间控制2 |
| 13 | DEL3 | 延迟时问控制3 |
| 14 | MUTE | 静音 |
| 引脚 | 符号 | 功能 |
| 15 | GC1 | 增益控制1 |
| 16 | CC1 | 电流控制 |
| 17 | GC0 | 增益控制0 |
| 18 | CC0 | 电流控制 |
| 19 | OP10UT | 输出1,接仉反馈电容 |
| 20 | OP1 IN | 输入1,接负反馈电容 |
| 21 | OP2IN | 输人2,接负反馈电容 |
| 22 | OP2OUT | 输出2 |
| 23 | LPF2IN | 低通滤波器2输入 |
| 24 | LPF2OUT | 低通滤波器2输出 |
| 25 | NC | 空脚 |
| 26 | ECHOFB | 延迟信号输出,混响度调节 |
| 27 | LPF1OUT | 低通滤波器1输出 |
| 28 | LPF1IN | 低通滤波器1输入 |
数字延时器是ES56028的核心电路,该电路实际上包含了A/D变换器、数字信号处理器、D/A变换器及控制器等电路。它先将模拟信号转换为数字信号,再写入 到20kbitRAMI}1,经过一定时间t后,又将数据从20kbitRAM中读出,这样一存一读使信号得到£时间的延迟。延迟时间的长短可由11脚、12脚及13脚电平进行控制。在7 脚为低电平的前提下,11脚、12脚及13脚电平与延迟时间的对应关系见下表。
延迟时间与控制电平之间的关系
| 控制电压 | 卡拉OK混响模式 | 环绕声模式 | ||||
| 11脚 | 12脚 | 13脚 | 取样频率(kHz) | 延迟时间(ms) | 取样频率(kHz) | 延迟时间(ms) |
| L | L | L | 250 | 20.5 | 500 | 4.1 |
| H | H | L | 41.0 | 10.2 | ||
| H | L | L | 6l4 | 14.3 | ||
| L | H | L | 819 | 20.5 | ||
| H | L | H | 125 | 983 | 500 | 24.6 |
| L | H | H | 122.9 | 30.7 | ||
| L | L | H | 139.3 | 34.8 | ||
ES56028有两种工作模式:一种是卡拉OK混响模式,另一种是环绕声模式。模式控制由10脚来完成,当10脚为低电平时,芯片工作于环绕声模式,此时A/D变换 器的取样频率为500kHz;当10脚为高电平时,芯片工作于卡拉OK混响模式,此时A/D变换器的取样频率为250kHz或 125kHz(由11脚、12脚及13脚电压决定,见表2)。
ES56028内部自带时钟振荡器,时钟频率为4MHz,时钟频率经“加工”后,获得读写控制时钟及A/D变换取样频率。
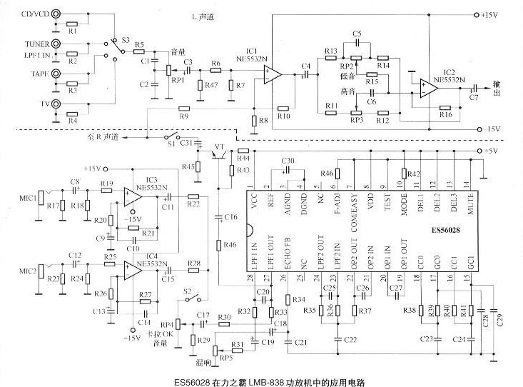
二、应用电路
下图是ES56028在力之霸LMB一838功放机中的应用电路,它用于卡拉OK处理(芯片10脚接高电平)。

机器设有四路输入信号插孔,能接收四路信号源送来的信号。四路输入信号经S3选择后,送到等响度控制及音量调节电路。C1、C2起等响度控制作用,RPI为音 量调节电位器。RPI中心抽头取出的信号送至IC1的同相端,经IC1放大后,送至音调调节电路。很显然,这是一个衰减/反馈式音调调节电路,RP2用来调节低音,RP3用 来调节高音。RP2和RP3中心抽头取出的低音和高音信号送至IC2反相端,经放大后输出,送至功放级。
IC3、IC4及ES56028构成卡拉OK处理电路,可输入两路话筒信号,能供两人同时演唱。两路话筒信号分别经IC3、IC4放大后,再相互混合,送至卡拉OK音量调节 电位器RP4。经RP4调节后,卡拉OK信号送人 BS56028的27脚,由内部数字延时器进行延时处理,再从22脚输出。22脚输出的延时信号又送人23脚,经内部低通滤波后从 26脚输出,迭至卡拉 OK混响度调节电位器RP5。
由RP5对延迟信号的强弱进行调节,再送入28脚,经内部低通滤波后,一方面再次送至数字延时器,以获得继续延时;另一方面从27脚输出,与未延时信号混合 ,获得混响后的卡拉OK信号,经R46、Cl6送至VT的基圾,经VT射随后,送至IC1反相端,与信号源送来的伴奏声进行混合放大。
S1、S2为卡拉OK开关,在卡拉OK状态下,S1、S2闭合;在其他状态下,应将S1、S2断开。在卡拉OK状态下,ES56028内部信号流程如下图所示。

- 上一篇:TDF8599C I2C总线控制立体声128W D类放大方案 2018-09-02
- 下一篇:韩国JUNGJIN SG-1501B FM/AM信号发生器操作使用 2019-07-08




浙公安备33010502004623号