集成调幅调频收音机电路 家用电器电路
2024/10/15 3:36:23 浏览:685

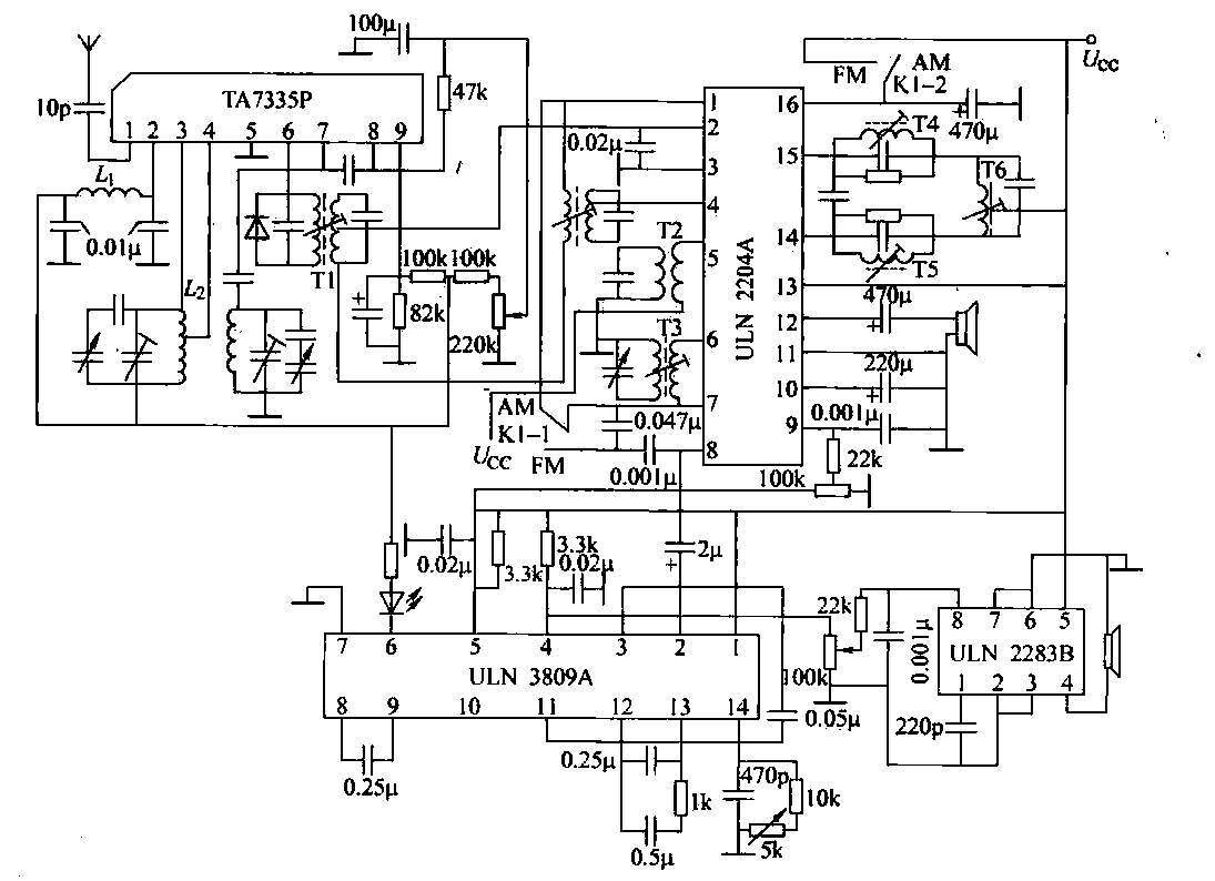
集成化调幅、调频、立体声收音机是由集成元件组成的,具备调幅、调频、立体声多种功能,具有音
质好,清晰等特点。本节就图1-15所示的变频电路说明如下:
本收音机可接收四个波段:87 --108MHz调频、中波调幅及两个短波调幅。
调频信号自拉杆天线进入后,经陶瓷带通滤波器10P送至TA7335P的①脚(FM高放输入端)。③脚
外接高放负载调谐电路L等,由④脚回送至混频级。⑦脚外接本振调谐电路b等。@、◎脚接入固定负
偏及AF,控制电压、本振变容二极管。变频后的中频信号由⑥脚输出。
为了防止限幅灵敏度下降,可另加晶体管防止衰减。调频中频信号经14滤波后送人至ULN2204A的
@脚。经鉴频后的立体声复合信号(或单声道音频信号)由⑧、@脚输出。若送人的是单声道信号,由于
无19kHz导频,ULN2204A自动进入单声道状态,使⑧、⑨脚输出同样的信号。
@脚外接的T4、T5为本振调谐电路。
图1-15是用TA7335P、UI.N2204A、ULN3809A及ULN2283B四块集成电路做成的调幅、调频、立
体声组合收音机。
这里的低救虽只用了一块单低放ULN2283B,但另一路低放由ULN2204A中的一个低放担任,故仍保
持两路立体声。ULN2283B的性能和ULN2204A中的低放部分基本相同,能保持左、右两声道的特性
对称。
- 上一篇:直放式收音机TA7642 2023-03-17
- 下一篇:LM3915无线音乐电平指示电路图解 2024-10-15




浙公安备33010502004623号